Slow Speed Motors
Gear Motors
Rail Motors
Forward-curved Centrifugal Fans
Backward-curved Centrifugal Fans
Axial Fans
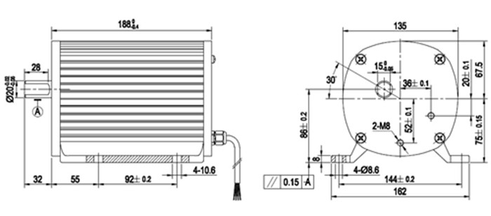
Rail motor(135YYJ)
The time of publication:2015-8-28 13:54:34 Browse the number:831