Slow Speed Motors
Gear Motors
Rail Motors
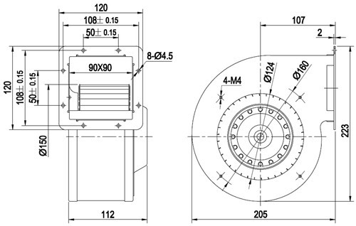
Forward-curved Centrifugal Fans
Backward-curved Centrifugal Fans
Axial Fans
150AQW(Outer Rotor)
The time of publication:2015-8-28 15:09:09 Browse the number:673