Slow Speed Motors
Gear Motors
Rail Motors
Forward-curved Centrifugal Fans
Backward-curved Centrifugal Fans
Axial Fans
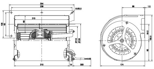
133AQW
The time of publication:2015-8-28 15:11:24 Browse the number:686